SHIMPO PRODUCTS

TTC Torque Tool Tester

Digital Torque Tool Tester

The TTC Series provides exceptional accuracy for measuring torque on various products including torque wrenches, manual screwdrivers, electric screwdrivers, pneumatic screwdrivers and other torque controlled power tools. The TTC is a simple operation test instrument for quickly checking torque tool performance up to 590 ft-lb (800 N-m).

The TTC’s provide long operation life and power flexibility with the ability to work from the internal rechargeable battery or included AC adapter. The TTC’s have six modes of operation: Track for live readings, Peak which records the highest level over a test, First Peak which records a reading after a programmed decrease, Auto Peak which resets after a period of time, Auto First Peak which resets the first peak after a period of time, Double Peak which provides two separate peak readings from programmed decreases. Preset operation with programmable tolerance thresholds for quick pass fail tool test is available in all modes.

The analog bar graph on the backlit, reversible LCD aids users by providing the resultant torque’s current position compared to the full scale range along with the direction of the force. Pass/fail icons produce live test feedback allowing instant determination of the results.

Every tester comes standard with USB and RS-232 outputs. The TTC’s software enables the uploading of data and the additional statistical analysis with its auto-calculation of the selected values.

These excellent features make the TTC Torque Tool Testers a valuable and versatile addition to the production and quality control departments.

  • Strong, light-weight, compact aluminum enclosure allows portability and usage in any shop environment
  • Flexible six modes of operation: Track, Peak, First Peak, Auto Peak, Auto First Peak, Double Peak
  • Backlit graphical, reversible display with analog bar graph plus CW/CCW directional indication provides fast interpretation of tool response. Selectable chart display mode aids viewing performance over the entire test
  • Preset operation with Pass-Fail LED icons enable quick determination of tool performance acceptance
  • Units come standard with USB or RS232 communication output for data upload
  • 1000 memory record storage plus software provides easy data transfer
  • 0.3% FS accuracy provides a standard for checking tools on ranges up to 590 ft-lb (800 N-m)
  • Operation via the rechargeable battery or the AC
  • Available rundown adapter for power tool testing on certain models
  • Calibration certificate with data guarantees performance upon purchase
Model TTC
Measuring Range See Capacity & Resolution chart in the Ordering Details tab
Accuracy ± 0.3% of reading over 5 to 100% capacity
Units of Measure N-cm, N-m, in-lb, ft-lb, kg-cm (depending on range)
Measure Modes Track, Peak, First Peak, Auto Peak, Auto First Peak & Double Peak
Tool Socket Size TTC-2/5/10: 1/4” & 1/2” (6.3 & 12.5 mm); TTC-20/50/100/200: 3/8” & 1/2” (10 & 12.5 mm); TTC-500/800: 3/4” (19 mm)
Overload Protection 120% of Full Scale
Sampling Rate 2000 Hz
Peak Capture Rate 0.05 s
Display 160* 128 Dot matrix backlit LCD
Display Update Rate 10 times/sec
Resolution See Chart
Memory 1000 data
Set Point Programmable High and Low Limits
Battery Indication Battery icon flashes when low
Charger/Adapter Universal USB charger, input 100 – 240 V ac 50/60 Hz
Operating Temperature 14 to 104ºF (-10 to 40ºC)
Humidity Limit 20 – 80% RH
Power 3.6 V dc 1600 mAH Ni-MH
Battery Life Approx. 16 Hours continuous on full charge
Output USB, serial port RS-232, High and low limit NPN
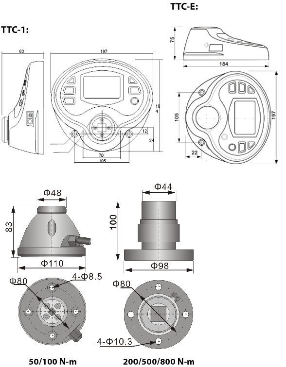
Dimensions Display TTC-I: 7.75 x 7 x 3.3” (197 x 180 x 83 mm); Display TTC-E: 7.75 x 7 x 3” (197 x 180 x 75 mm); External Sensor (50, 100 N-m): 4.3 x 3.3”(110 x 83 mm); External Sensor (200, 500 & 800 N-m): 4 x 3.8” (100 x 98 mm
Product Weight TTC-I: 3.3 lb (1.5 kg); TTC-E Display: 2.6 lb (1.2 kg); TTC-E-200/500/800 External Sensor: 4.4 lb (2 kg)
Package Weight TTC-I: 6.5 lb (3 kg); TTC-E-200/500/800: 10.2 lb (4.6 kg)
Warranty 1-Year
Certification CE, RoHS
Included Accessories USB cable, charger adapter, cal. cert. printer cable, square driver adapter connector (Ranges to 200 N-m only)
Optional Accessories RS-232 cable, Rundown adapters & Printer. EDMS Software available from Technical Support section
Range by Unit (Resolution)
Model N-m N-cm kgf-cm in-lbf ft-lbf
TTC-I-2 0.1 - 2 (0.0002) 10 - 200 (0.02) 1 - 20 (0.002) 0.89 - 17.7 (0.002) 0.07 - 1.48 (0.0002)
TTC-I-5 0.25 - 5 (0.0005) 25 - 500 (0.05) 2.5 - 50 (0.005) 2.2 - 44.3 (0.005) 0.18 - 3.7 (0.0005)
TTC-I-10 0.5 - 10 (0.001) 50 - 1000 (0.1) 5 - 100 (0.01) 4.4 - 88.5 (0.01) 0.37 - 7.4 (0.001)
TTC-I-20 1 - 20 (0.002) 100 - 2000 (0.2) 10 - 200 (0.02) 8.9 - 177 (0.02) 0.7 - 14.8 (0.002)
TTC-I-50 2.5 - 50 (0.005) 250 - 5000 (0.5) 25 - 500 (0.05) 22 - 443 (0.05) 1.8 - 36.8 (0.005)
TTC-I-100 5 - 100 (0.01) 500 - 10000 (1) 50 - 1000 (0.1) 44 - 885 (0.1) 3.7 - 74 (0.01)
TTC-E-200 10 - 200 (0.02) 100 - 2000 (0.2) 89 - 1770 (0.2) 7.4 - 148 (0.02)
TTC-E-500 25 - 500 (0.05) 250 - 5000 (0.5) 220 - 4425 (0.5) 18.4 - 368 (0.05)
TTC-E-800 40 - 800 (0.1) 400 - 8000 (1) 354 - 7080 (1) 29.5 - 590 (0.1)

Accessories

TTC-RDA-2 Rundown adapter. 17.7 in-lbf (2 N-m) 13 mm hex male
TTC-RDA-5 Rundown adapter. 44.3 in-lbf (5 N-m) 13 mm hex male
TTC-RDA-10 Rundown adapter. 88.5 in-lbf (10 N-m) 13 mm hex male
TTC-RDA-20 Rundown adapter 177 in-lbf (20 N-m) 21 mm hex male
TTC-RDA-50 Rundown adapter. 443 in-lbf (50 N-m) 21 mm hex male
TTC-RDA-100 Rundown adapter. 885 in-lbf (100 N-m) 21 mm hex male
FG-7USB USB Cable
FG-7CHRG Charger
FG-7RS232 RS-232 communication cable
TTST-1 TTC Manual Torque Loader; 24” (620 mm) Test Distance
TTST-2 TTC Manual Torque Loader; 44” (1120 mm) Test Distance

Literature Download:

TTC Data Sheet | TTC Manual | TTC Software | TTC Software Manual