SHIMPO PRODUCTS

Vise Grip

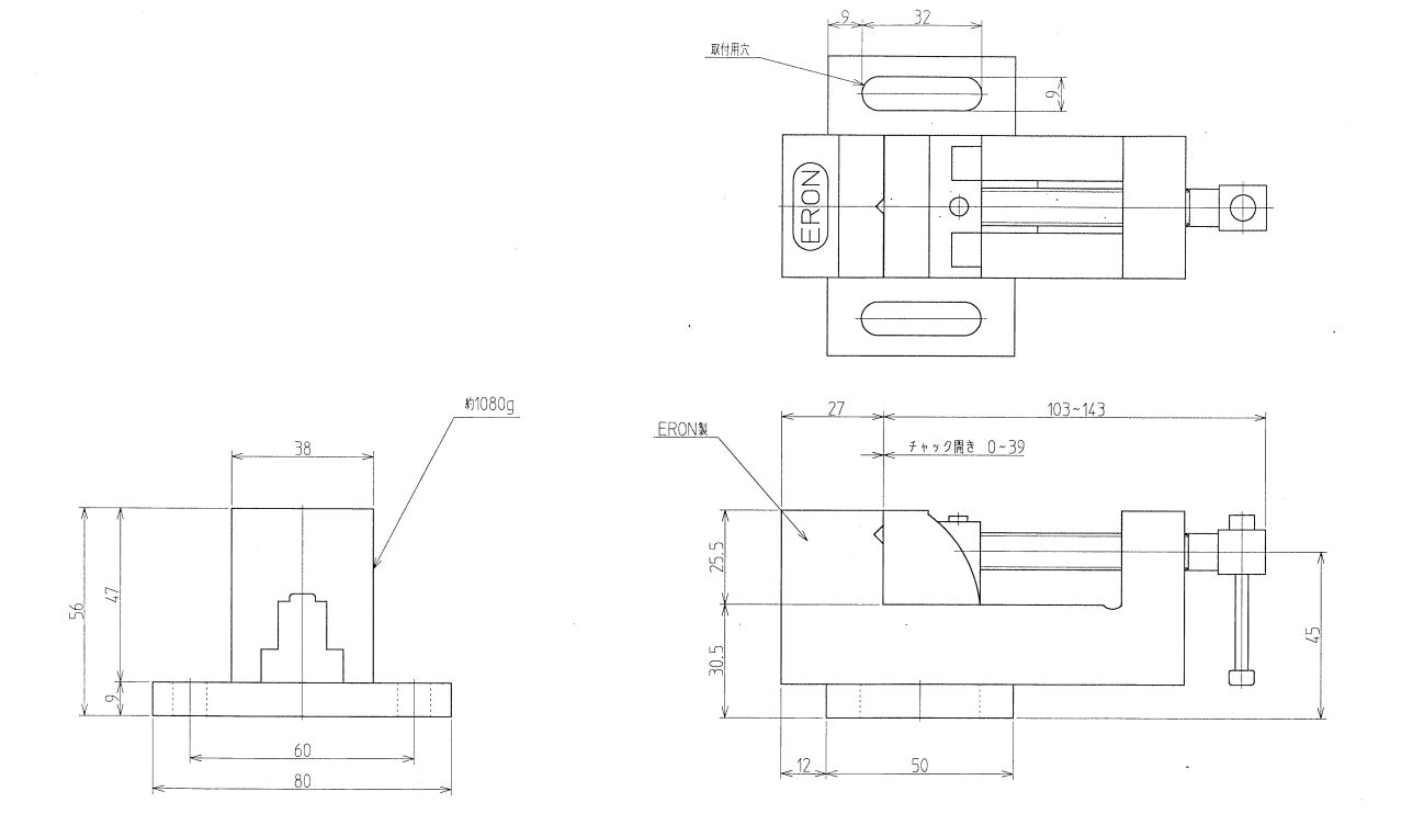
The NIDEC-SHIMPO VISE GRIP for Force Test Stands is a simple, versatile tension grip for testing various samples. With its large 1.5" (39 mm) maximum opening, a wide array of materials can be tested up to the 110 lb (50 kg) capacity. This durable tension grip is compatible with all Nidec motorized and manually operated force test stands.

  • Maximum Opening of 1.5” (39 mm).
  • Maximum Capacity of 110 lb (50 kg).
  • Simple, durable base tension grip for Nidec-Shimpo manual and motorized force test stands.

Model FG-VISEB
Maximum Opening 1.5" (39 mm)
Capacity 110 lb (50 kg)
FG-VISEB Vise style, bottom base tension grip for Nidec-Shimpo Force Test Stands